菜單產品中心Product center
熱門產品
您的位置: 首頁 > 雷達液/物位計 → 米科MIK-RD70系列智能導波雷達液位計
產品說明
                       導波雷達發出的高頻微波脈沖沿著探測組件(鋼纜或鋼棒)傳播,遇到被測介質,由于介電常數突變,引起反射,一部分脈沖能量被反射回來。發射脈沖與反射脈沖的時間間隔與被測介質的距離成正比。
由于采用了先進的微處理器和獨特的 Echo Discovery 回波處理技術,導波雷達物位計可以適用于各種復雜工況及應用場合。如:高溫、高壓及小介電常數介質等;而采用脈沖工作方式,導波雷達物位計發射功率極低,可安裝于各種金屬、非金屬容器內,對人體及環境均無傷害。
 

 
產品應用
 


 
  
  
產品特點
 




 
產品選型
 





 
在整個量程范圍內確定纜或棒不要接觸到內部障礙物,因此安裝時應盡可能避開管內設施,
如:人梯、限位開關、加熱設備、支架等。另外需注意纜或棒不得與加料料流相交。
安裝儀表時還需注意:最高料位不得進入測量盲區;儀表距離罐壁必須保持一定的距離;
儀表的安裝盡可能使纜或棒的方向與被測介質的表面垂直。
 






                     
            由于采用了先進的微處理器和獨特的 Echo Discovery 回波處理技術,導波雷達物位計可以適用于各種復雜工況及應用場合。如:高溫、高壓及小介電常數介質等;而采用脈沖工作方式,導波雷達物位計發射功率極低,可安裝于各種金屬、非金屬容器內,對人體及環境均無傷害。

產品應用


產品特點




產品選型





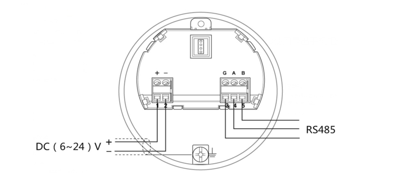
    本產品適用于非防爆場合,如需防爆產品需特殊注明
    您也可以直接免費咨詢我們的選型工程師,咨詢電話:0571-88384605
 
在整個量程范圍內確定纜或棒不要接觸到內部障礙物,因此安裝時應盡可能避開管內設施,
如:人梯、限位開關、加熱設備、支架等。另外需注意纜或棒不得與加料料流相交。
安裝儀表時還需注意:最高料位不得進入測量盲區;儀表距離罐壁必須保持一定的距離;
儀表的安裝盡可能使纜或棒的方向與被測介質的表面垂直。






                            
                                
                        
                                
                                
                                
                            




